• 광통신렌즈
  • 홈 > 제품소개 > 광학렌즈 > 광통신렌즈

Optical Communications Lens

  • 옵토네스트 광통신용 렌즈는 높은 품질 일관성과 빠른 납기, 경쟁력 있는 가격을 동시에 실현하고 있습니다. 5G/6G 통신망, 데이터 센터, 광모듈 등 다양한 고속 광통신 분야에 널리 사용되고 있으며, 국내외 유수의 광통신 기업들에 안정적으로 공급되고 있습니다. 광통신의 핵심 소자로 비구면 설계의 특성을 활용하여 소형, 경량화는 물론 고성능을 제공합니다.
특징
  • 초정밀 비구면 설계
  • 초소형, 고정밀 가공기술
  • 맞춤형 설계 및 제작 지원
  • 높은 결합효율, 광대역 저손실 성능
  • 고내열, 내환경 코팅적용
적용분야
  • 광통신 모듈 (TOSA, ROSA, Optical Transceiver)
  • 파장 분할 다중화 시스템 (WDM Systems)
  • 광섬유 레이저 시스템 (Fiber Laser Systems)
  • 양자 통신 및 차세대 광통신
  • 광정렬 시스템 (Fiber Alignment Systems)
  • 광센서 및 측정 장비 (Optical Sensors & Instruments)
  • 의료 및 생명과학 분야
세부사항
항목 (Item) 사양 (Specification) 비고 (Remarks)
렌즈 재질 (Material) 고굴절 광학 유리 / 정밀 몰딩용 글라스 고객 요청 시 특수 유리 대응 가능
직경 (Diameter) Ø 0.8 mm ~ Ø 5.0 mm 용도에 따라 맞춤 가능
초점 거리 (Focal Length) 0.5 mm ~ 10 mm 커스터마이징 가능
개구수 (NA) 0.1 ~ 0.6 고NA 설계 가능
표면 정밀도 (Surface Accuracy) λ/4 이하 (at 633nm) 측정 장비 기준
투과율 (Transmittance) AR 코팅 (Typical R < 0.3%) 파장대역에 맞춘 맞춤 코팅 가능
파면수차 (Wave Aberration) <0.03λ, RMS  
사용 파장대 (Wavelength Range) 1250 nm ~ 1650 nm (O ~ L Band) 특수 파장 요청 대응 가능
내열 온도 (Thermal Stability) -40°C ~ +85°C 산업용 기준
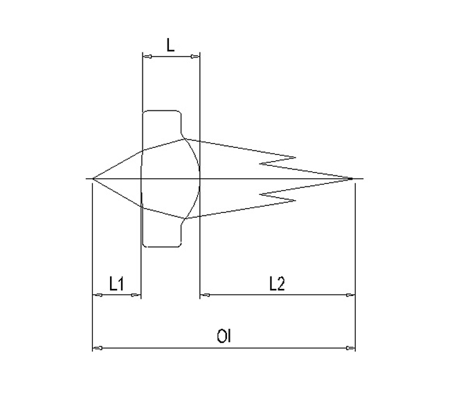
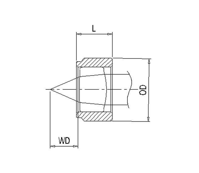
CAN TYPE CHIP TYPE BARE TYPE